Phone : +86 18138709418
Email : sales9@pikespool.comS and Sp Series Filters withstand many years of prolonged exposure tosunlight. The UV-resistant polyethylene HDPE tank has been well-received by the industry, not only because of the durability of thematerial, but also due to its reliable performance and economy.
Industry-specific attributes material Acrylic Diameter Customized Other attributes place of origin Guangdong, China type Ornaments brand name PIKES model number WD Product name swimming pool fountain cascade pool waterfall material acrylic Usage decoration Keywords Waterfall, LED Lighting Led color Green/blue/red...custimized Application Pool and Garden Decoration Type LED Water Descent MOQ 1 Pc Feature Indoor and Outdoor Size 300/600/900/1500MM Packaging and delivery Selling Units: Single item Single package size: 40X20X15 cm Single gross weight: 4.000 kg
Place of Origin Guangdong, China Brand Name Pikes Model Number N/A Product Name Plastic ABS Material Swimming Pool Fitting Accessories MOQ 1pc Keyword Swimming pool accessories Pool lighting system Pool led underwater light Pool fitting system Pool ladder,pool lane rope,pool liner,pool starting block ,ect. Pool heating system Pool heaters,pool heat pump,heat exchanger Pool filtration system Pool filter and pump Application swimming pool Material ABS,plastic,acrylic,fiberglass, Stainless steel 304/316 Warranty 1 Year Packaging and delivery Selling Units: Single item Single package size: 40X40X40 cm Single gross weight: 5.000 kg
Place of Origin China Material ABS Applicable People All Type Public Pools Brand Name Pikes Style pool Warranty 1 years Model Number VTP-606 Name ABS Pool Grating Color Black Size 25CM/30CM/35CM Feature Easy Install Material ABS+PP Payment term T/T Packing Carton Box Wood Frame Application Swimming pool Certifications ISO 9001 Function Pool maage Packaging and delivery Selling Units: Single item Single package size: 70X50X50 cm Single gross weight: 5.000 kg
Place of Origin Guangdong, China Material PVC Applicable People All Type Public Pools, Spa Pools, Above Ground Pools, Swimming Pools Brand Name Pikes Style Pool Warranty 1 year Model Number P Series Product Name Leak skimmer Material ABS+UV Type Pool Color White Feature Easy Install Function pool clean Installation 1.5" or 2" pipe Usage Concrete pool/ Vinnyl pool MOQ 1 Pc Package Carton
Place of Origin Guangdong, China Brand Name Pikes Model Number Pikes Type Pool WARRANTY 1 Year Color Green/Red Max Fow Rate 10-31m3/h Filter area 0.2-0.64m2 Valve Connection 1.5 inch/2 inch Grave 85mm Material Fiberglass+Plastic Type Laminated sand filter Application Swimming Pool Water Filtration Product Name Gel-Coated Swimming Pool Laminated Sand Filter Packaging and delivery Selling Units: Single item Single package size: 50X50X50 cm Single gross weight: 50.000 kg
Overview Factory OEM Aluminum Swimming Pool Cleaning Equipment Pool Telescopic Pole Products Description Cleaning pool accessories you need: pool brush, vacuum head, pool skimmer and suction fittings. 1. Pool telescopic pole surface and light in weight. 2. Twist locking system secure the desired lengths for cleaning of high access areas staying safely on the ground. 3. Can be matched with our other cleaning tools like window squeegee, window washer and cobweb brush by a quick connect end cone. Telecopic Pole Size 2000*1500mm 2000*2500mm 2000*3500mm 2000*2400mm 2000*4500mm Our Service Our Advantages 1) High quality with Low Price 2) Delivery in time short 3) Vibration resistant Easy to transport and install. 4) Body with excellent thermal managing design. 5) Different colors for your select. Payment Terms 1) Payment:30% in advance,+70% balance should be paid before delivery. 2) Lead time:1x20ft for 20-25 days;1x40ft for 25-29 days 3) Port of loading:guangzhou, Mainland China. 4) Discounts are offered based on order quantities.
Production Process Product Application Company Information
PK series stainless steell underwater pool LED light
Power: 6W/9W/12W/18W/24W Safe low voltage AC12V Cool white, warm white, RGB, single color
Payment:
T/T %Product Origin:
ChinaColor:
White blue stainless steelShipping Port:
Guangzhou, ShenzhenLead Time:
7days, To be negotiatedThis LED light can be installed very conveniently. It's 100% waterproof with custom glue, even if only the LED panel still works.
This product is safe, low voltage AC12V.
With the best technology, the heat radiation is wasted fast when producing brightness, preventing reducing attenuation and extending lamp life.
Product decription:
1. material: ABS+ UV stabilizer+AISI-304
2.Cable: 2.5m
3.Waterproof: IP68
4.underwater swimming pool light installation: Wall Mounted.
Our Advantages




1) High quality with Low Price
2) Delivery in time
3) Vibration resistant Easy to transport and install
4) Body with excellent thermal managing design
5) Different colors for your select
Payment Terms
1 ) Payment:30% in advance,+70% balance should be paid before delivery.
2 ) Lead time:1x20ft for 15 days;1x40ft for 20 days
3 ) Port of loading:guangzhou,Mainland china.
4 ) Discounts are offered based on order quantities.
Previous:
PIKES LED Water Cascade Blade Swimming Pool Waterfall Water Descent FactoryNext:
PK series wall mounted type underwater light IP68 waterproofThis colorful wall-mounted water desecnt waterfall fountainl has many sizes, it can creating various colorful water effects, bringing elegance and beauty to private gardens,swimming pools,parks and garden communities. Built-in waterproof LED waterfall fountain lightis to decorate water,There are many sizes of waterfalls to choose, and one controller can control several water systems,all wall fountain with led will change color at the same time.
Swimming pool wall mounted type underwater light have different kinds for choice..Different watts are available. These led underwater lights are with ABS cover or ABS+SS cover,there is silical gel waterproof ring inside for waterproofing.
Buried type underwater light have different kinds for choice.Different watts are available. These led underwater lights are with ABS cover or ABS+SS cover,there is silical gel waterproof ring inside for waterproofing.They are easy to install,good waterproof quality and safe.It is IP68 pool lamp.For more pool light information please contact us.
Swimming pool wall mounted type underwater light have different kinds for choice..Different watts are available. These led underwater lights are with ABS cover or ABS+SS cover,there is silical gel waterproof ring inside for waterproofing.They are easy to install,good waterproof quality and safe.It is IP68 pool lamp with 12v safety voltage.
The Pikes sheer descent is a water feature suitable for new and finished walls, with a unique design that creates a beautiful, linear water display. It's efficient for hiding outlets and ideal for those seeking a pool waterfall or water descent feature.
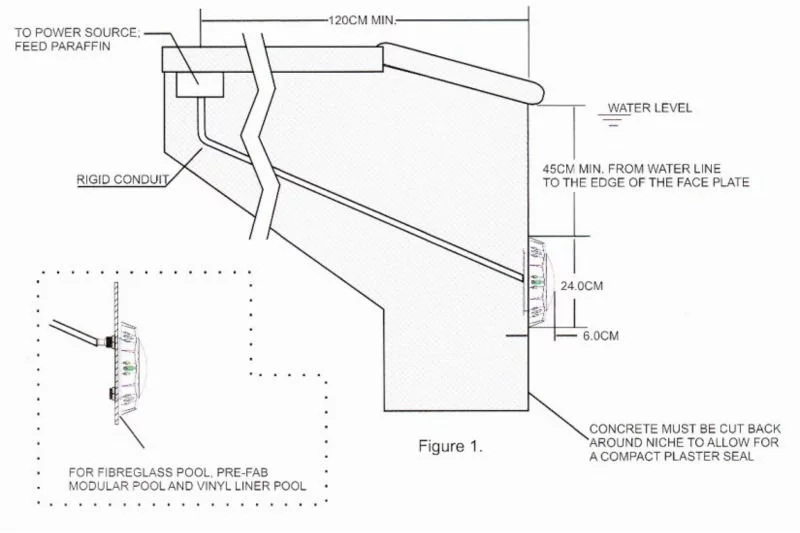
Power: 6W/9W/12W/18W/24W Safe low voltage AC12V Cool white, warm white, RGB, single color Housing type installation (with niche) and Wall mount type (with bracket plate) are available
PIKES LED Water Cascade Blade Swimming Pool Waterfall Water Descent Factory Products Description LED Waterfall Features : *Steady and even flow products state of art artificial waterfall * Inbuilt water- proof LEDs adds colours to water * LED is powered by external 12V DC, which is safe and reliable. * The LEDs can be operated through panel or remote control and 10 lighting patterns are available * Different lengths of lips in different models can fit various brick sizes for installation * Multiple water dscents can share the same controller and act in same paces. Model No Port Connection A(mm) B(mm) C(mm) D(mm) Power Voltage WD300-25-LED 1.5inch/50mm 306 138 76 25 4W DC12V WD300-150-LED 1.5inch/50mm 306 263 76 150 4W DC12V WD300-230-LED 1.5inch/50mm 306 343 76 230 4W DC12V WD600-25-LED 1.5inch/50mm 606 138 76 25 8W DC12V WD600-150-LED 1.5inch/50mm 606 263 76 150 8W DC12V WD600-230-LED 1.5inch/50mm 606 343 76 230 8W DC12V WD900-25-LED 1.5inch/50mm 906 138 76 25 12W DC12V WD900-150-LED 1.5inch/50mm 906 263 76 150 12W DC12V WD900-230-LED 1.5inch/50mm 906 343 76 230 12W DC12V WD1200-25-LED 1.5inch/50mm 1206 138 76 25 17W DC12V WD1200-150-LED 1.5inch/50mm 1206 263 76 150 17W DC12V WD1200-230-LED 1.5inch/50mm 1206 343 76 230 17W DC12V Details Images